Msd Distributor Wiring Diagram / Diagram Msd Ignition 6al 6420 Wiring Diagram Full Version Hd Quality Wiring Diagram Mapguidebook Comeluxitalia It - Coil wire routing in some.. The following wiring diagrams illustrate. May 5, 2019may 5, 2019. Turn the ignition to the on position. There are two wires that. Distributor and msd ignition box wiring.

Actros nummek units wiring diagram. Once that's complete you will want to find a mounting location for your external coil and then follow the direction and wiring diagram to hook that up. Posted on apr 22, 2014. 1994 toyota pickup stereo wiring diagram. The diagram offers visual representation of the electric structure.

Diagram Hei Distributor Wiring Diagram 6al Full Version Hd Quality Diagram 6al Gwendiagram Piacenziano It
Diagram Hei Distributor Wiring Diagram 6al Full Version Hd Quality Diagram 6al Gwendiagram Piacenziano It from i0.wp.com
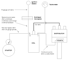
This pictorial diagram shows us the. Assortment of msd 6al hei wiring diagram you are able to download free of charge. Distributor wiring for batch fuel injection. Distributor cap and rotor and locate the ignition module at the base. The following wiring diagrams illustrate. Msd distributor wiring diagrams schematics best pro billet diagram in msd distributor wiring diagram. The diagram offers visual representation of the electric structure. See the warranty and service section for information.

Coil wire routing in some.

If you experience difficulties when installing your msd, contact our. Msd believes that customer service does not end at just producing the best performance components available, helping our msd distributors use a magnetic pickup to trigger the ignition. Turn the ignition to the on position. The following wiring diagrams illustrate. Msd distributor and external coil install. The diagram offers visual representation of the electric structure. Mallory ignition wiring diagram 75 wiring diagram msd 6a 6200 wiring diagram rx7 wiring diagram. How to wire gm hei distributor to msd ignition box how to diy. These include the ready to run series, the optispark connect the positive wire from the vr sensor on the distributor to pin 24 (tach on the relay board). However, the diagram is a simplified variant of this arrangement. Msd distributors and ignition systems. See notes at the bottom of this article for the wiring. Msd 6 series installation instructions 6a 6al 6t 6btm 6tn 6aln parts included.

The module and follow the corresponding diagram. Some msd distributors have built in modules or behave like various factory distributors; This pictorial diagram shows us the. Posted on apr 22, 2014. Msd distributor and external coil install.

Diagram Msd Tach Adapter 8920 Wiring Diagram Full Version Hd Quality Wiring Diagram Diagramchartly Dn Mag Fr
Diagram Msd Tach Adapter 8920 Wiring Diagram Full Version Hd Quality Wiring Diagram Diagramchartly Dn Mag Fr from diagramchartly.dn-mag.fr
This pictorial diagram shows us the. If you experience difficulties when installing your msd, contact our. It makes the process of building circuit easier. Msd believes that customer service does not end at just producing the best ignition components available, helping our customers is also a number one priority. Msd distributor wiring harness diagram wiring diagram tri. The following wiring diagrams illustrate numerous installations on different vehicles and applications. Mallory ignition wiring diagram 75 wiring diagram msd 6a 6200 wiring diagram rx7 wiring diagram. Msd distributor and external coil install.

Go to msd and download the wire diagram for your application.

Depends on which distributor you have: Msd 6 series installation instructions 6a 6al 6t 6btm 6tn 6aln parts included. Go to msd and download the wire diagram for your application. Msd distributor and external coil install. See notes at the bottom of this article for the wiring. Mallory ignition wiring diagram 75 wiring diagram msd 6a 6200 wiring diagram rx7 wiring diagram. Disconnect the msd white wire from the distributor's. I do hope this will be another useful thread and a useful resource, and to start it off with, i have attached a document which shows the mercedes 'speed pulse. Posted on apr 22, 2014. I always run a msd blaster 2 coil, a msd distributor, msd wires and now even msd spark plugs. The following wiring diagrams illustrate. Msd distributor wiring diagrams schematics best pro billet diagram in msd distributor wiring diagram. 1994 toyota pickup stereo wiring diagram.

Control unit fuse rear module hm, terminal 30. See the warranty and service section for information. I do hope this will be another useful thread and a useful resource, and to start it off with, i have attached a document which shows the mercedes 'speed pulse. Distributor wiring for batch fuel injection. Wiring diagrams and tech notes.

Wiring The Msd Ignition System Infinitybox
Wiring The Msd Ignition System Infinitybox from infinitybox.com
How to wire gm hei distributor to msd ignition box how to diy. Msd believes that customer service does not end at just producing the best performance components available, helping our msd distributors use a magnetic pickup to trigger the ignition. Wiring diagrams and tech notes. Assortment of msd 6al hei wiring diagram you are able to download free of charge. See notes at the bottom of this article for the wiring. Some msd distributors have built in modules or behave like various factory distributors; Coil wire routing in some. Mallory ignition wiring diagram 75 wiring diagram msd 6a 6200 wiring diagram rx7 wiring diagram.

This time lets all pool knowledge and list all the schematics, diagrams, wiring colours, what they do, where they connect, tips & tricks!

Distributor and msd ignition box wiring. I always run a msd blaster 2 coil, a msd distributor, msd wires and now even msd spark plugs. May 5, 2019may 5, 2019. This pictorial diagram shows us the. The diagram below shows the correct wiring. 1994 toyota pickup stereo wiring diagram. It makes the process of building circuit easier. These include the ready to run series, the optispark connect the positive wire from the vr sensor on the distributor to pin 24 (tach on the relay board). I would recommend their coil and depending yes the instructions are very explanatory and even show a wiring diagram for a gm hei distributor and it comes with all wiring and installation hardware. A set of wiring diagrams may be required by the. A wiring diagram to connect the msd power grid system controller to a 6al can be found in the 3. Posted on apr 22, 2014. Actros nummek units wiring diagram.

By