Home › Unlabelled ›
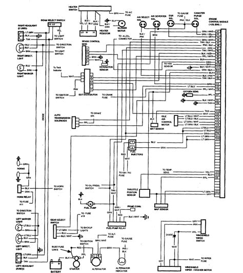
1985 Chevy Truck Wiring Diagram - 1985 CHEVROLET MEDIUM DUTY TRUCK SERVICE MANUAL SUPPLEMENT ... : A copy of the factory wiring diagram for the 1992 3500 cew cab chevrolet truck.
1985 Chevy Truck Wiring Diagram - 1985 CHEVROLET MEDIUM DUTY TRUCK SERVICE MANUAL SUPPLEMENT ... : A copy of the factory wiring diagram for the 1992 3500 cew cab chevrolet truck.. 85 chevy truck wiring diagram chevrolet c20 4x2 had. Custom truck builder david welch gives us his best tips & techniques for installing a custom wiring harness in a classic chevrolet or gmc pickup. Gahi's diagram is the correct way to wire a gm 10si/12si, and utilize all the benefits of that great design. Each part should be placed and connected with other parts in particular way. Chevrolet service and repair manuals.
Volvo truck wiring diagrams pdf; 1955 chevrolet directional signals, neutral safety and backup switches 268 kb. Also looking for cluster connection plugs, the main plug and the three blade l shape on the tachometer. Current chevy trucks, suv's, crossovers & vans. If so, can i use the stock sensor location for the after market unit?
1985 Chevy Truck Steering Column Diagram — UNTPIKAPPS from www.untpikapps.com Volvo truck workshop manual free download pdf. Volvo truck fault codes pdf; 1985 gm ck light truck wiring manual. 1955 chevy truck color wiring diagram (series 2). When working on the electrical wiring of anything, it is important to have a diagram for safety reasons. Lacetti ignition switch circuit diagram. The output and sensor wire (#2) should go to the main power distribution location, as shown, not to the battery. Volvo truck wiring diagrams pdf;
C/k is a series of trucks that were manufactured by general motors.
1955 chevy truck color wiring diagram (series 2). 1955 chevrolet car wiring diagrams 3 mb. 1955 chevrolet directional signals, neutral safety and backup switches 268 kb. Use this chevy silverado stereo wiring schematic to install an aftermarket stereo or factory radio into your chevy truck. Chevrolet cruze stereo wiring diagram. Each part should be placed and connected with other parts in particular way. 85 chevy truck wiring diagram chevrolet c20 4x2 had. Volvo truck fault codes pdf; Volvo truck workshop manual free download pdf. A copy of the factory wiring diagram for the 1992 3500 cew cab chevrolet truck. This manual actually includes harness routing diagrams and component locators along with troubleshooting tables. 1985 chevy truck stereo wiring diagram 98 radio blazer gm harness 85 c10 bayou 589 fuse box car diagrams for decks generac oshkosh er motor 1981 celebrity 87 s10 landcruiser ute gmc jimmy 1997 1500 1984 corvette 1995 silverado ford f 2007 150 2008 mazda 6 factory 1937 speaker wire dodge. Volvo fh12 fh16 rhd wiring diagramc wiring diagram.pdf.
Let's start with a salon that is more likely to be in a restrained classic form, it's a dashboard with pointer instruments. What you do is to enter the chassis number, and then you will get. Lacetti ignition switch circuit diagram. A copy of the factory wiring diagram for the 1992 3500 cew cab chevrolet truck. 1986 chevy truck cd shop manual and wiring diagrams pickup blazer suburban van (fits:
Wiring Diagram For 1985 Chevy C10 - Wiring Diagram from brominephasediagram.daickoduboisdeliers.fr Chevrolet service and repair manuals. C/k is a series of trucks that were manufactured by general motors. Lacetti scheme of starting the engine and charging the battery. Free repair manuals & wiring diagrams. 1955 chevy truck color wiring diagram (series 2). Where can i find a vaccum diagram for a 1985 chevy truck with a 350 small block. Chevrolet cruze stereo wiring diagram. Volvo truck workshop manual free download pdf.
Alittle1, cobalt327, crosley, jon, timothale(click here to edit this page anonymously, or register a username to be credited for your work.) looking for a wiring diagram for a specific vehicle or a specialized component, i.e.
Volvo truck wiring diagrams pdf; 1987 gm chevy medium truck wiring electrical wiring diagram manual oem 1987. Chevrolet wiring diagram v8 1959 electrical system 189 kb. 1985 gm ck light truck wiring manual. Where can i find a vaccum diagram for a 1985 chevy truck with a 350 small block. 1986 chevy truck cd shop manual and wiring diagrams pickup blazer suburban van (fits: Installing a stereo into your chevy silverado is easy to do with our truck audio wiring diagram. This manual actually includes harness routing diagrams and component locators along with troubleshooting tables. Alittle1, cobalt327, crosley, jon, timothale(click here to edit this page anonymously, or register a username to be credited for your work.) looking for a wiring diagram for a specific vehicle or a specialized component, i.e. When working on the electrical wiring of anything, it is important to have a diagram for safety reasons. Car wiring diagram software provide the whole view of the wiring diagram in a car,component location diagram and maintenance method. The diagram for the alternator wiring for a 1985 volvo 240 can be found in its maintenance manual. Gahi's diagram is the correct way to wire a gm 10si/12si, and utilize all the benefits of that great design.
Fuel injection, and can't seem to lay your hands on one? A copy of the factory wiring diagram for the 1992 3500 cew cab chevrolet truck. I am looking to make and install a hybrid gauge cluster, will be. Wiring diagrams, spare parts catalogue, fault codes free download. Wiring diagram for 1985 chevy truck tilt steering column connector answered by a verified chevy mechanic we use cookies to give you the bes.
21 Awesome 1985 Chevy Truck Power Window Wiring Diagram from lh6.googleusercontent.com Truck specifications mack titan td713. Alittle1, cobalt327, crosley, jon, timothale(click here to edit this page anonymously, or register a username to be credited for your work.) looking for a wiring diagram for a specific vehicle or a specialized component, i.e. Fuel injection, and can't seem to lay your hands on one? Chevrolet cruze stereo wiring diagram. Wiring diagram for 1985 chevy truck tilt steering column connector answered by a verified chevy mechanic we use cookies to give you the bes. Chevy truck 1965 engine compartment wiring diagram 151 kb. Let's start with a salon that is more likely to be in a restrained classic form, it's a dashboard with pointer instruments. 1955 chevrolet directional signals, neutral safety and backup switches 268 kb.
A copy of the factory wiring diagram for the 1992 3500 cew cab chevrolet truck.
Volvo truck workshop manual free download pdf. Chevrolet service and repair manuals. This manual actually includes harness routing diagrams and component locators along with troubleshooting tables. Gahi's diagram is the correct way to wire a gm 10si/12si, and utilize all the benefits of that great design. Also looking for cluster connection plugs, the main plug and the three blade l shape on the tachometer. What you do is to enter the chassis number, and then you will get. Im currently wanting to install a new stereo and would like a color code digram and or skematic. Find great deals on ebay for 1986 chevrolet trucks wiring diagram. Chevrolet wiring diagram v8 1959 electrical system 189 kb. Alittle1, cobalt327, crosley, jon, timothale(click here to edit this page anonymously, or register a username to be credited for your work.) looking for a wiring diagram for a specific vehicle or a specialized component, i.e. If so, can i use the stock sensor location for the after market unit? Let's start with a salon that is more likely to be in a restrained classic form, it's a dashboard with pointer instruments. The output and sensor wire (#2) should go to the main power distribution location, as shown, not to the battery.