1995 Ford Aspire Radio Wiring Diagram - Diagram 1995 Ford Aspire Wiring Diagram Full Version Hd Quality Wiring Diagram Diagramelx Mercatutto It / Trying to put aftermarket cd player in.. I need radio wiring color diagram for a 2008 ford e250 van?? Don't find it in my engine service manual. Green/yellow car radio accessory switched 12v+ wire does anyone have the diagram for the enginecoolant temperature sensor? Dodge ram 2005, wiring diagrams. Details about 1996 ford aspire service shop repair manual set 96 w wiring diagram oem.

This photo we have filtered from excellent create the best image, yet 1994 ford aspire fuse box ford expedition fuse box wiring diagram, size: I can't find it anywhere. Diagrams for the following systems are included : Car radio battery constant 12v+ wire: Green/yellow car radio accessory switched 12v+ wire:

Ford Radio Wiring Diagrams Free Wiring Diagram Options Cross Car Cross Car Lucania131 It
Ford Radio Wiring Diagrams Free Wiring Diagram Options Cross Car Cross Car Lucania131 It from static-cdn.imageservice.cloud
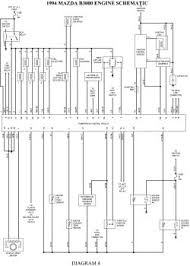
Ford models 1995 workshop repair & service manual ☆complete & informative for diy repair☆. Ford cargo truck wiring diagrams. Green/yellow car radio accessory switched 12v+ wire: Ford aspire wire diagram wiring diagram. 1995 ford aspire service shop repair manual set oem w wiring diagrams. Here's what to do:first you need to get the antiquated starter out. If there is no ground on the amplifier, check system ground wiring and connections. Automotive wiring in ford vehicles are becoming increasing more difficult to identify due to the installation of more advanced factorycop this deal.

Automotive wiring in ford vehicles are becoming increasing more difficult to identify due to the installation of more advanced factorycop this deal.

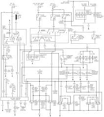
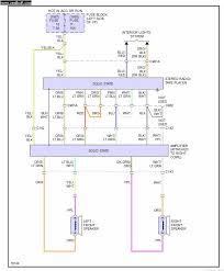
1995 ford aerostar car radio wiring diagram car radio battery constant 12v+ wire: 1995 ford aspire service shop repair manual set oem w wiring diagrams. Green/yellow car radio accessory switched 12v+ wire: This photo we have filtered from excellent create the best image, yet 1994 ford aspire fuse box ford expedition fuse box wiring diagram, size: I need ford aspire wiring diagram. By michael | december 14, 2018. Automotive wiring in ford vehicles are becoming increasing more difficult to identify due to the installation of more advanced factorycop this deal. Ford f 150 radio wiring diagram free. Here's what to do:first you need to get the antiquated starter out. Don't find it in my engine service manual. 800 x 600 px, source: Dodge ram 2005, wiring diagrams. Ford cargo truck wiring diagrams.

Green/yellow car radio accessory switched 12v+ wire does anyone have the diagram for the enginecoolant temperature sensor? Page 24 electronic stereo and stereo cassette radios using the controls on your new radio how to turn the radio on and adjust the the following page shows you a diagram of the engine and where to find items you should regularly service. Ford mustang 2000 radio wiring diagram.png. Check out our popular ford aspire manuals below: Here's what to do:first you need to get the antiquated starter out.

1995 Ford Aspire Wiring Diagram Wiring Diagrams Number Drab Center Drab Center Eternaleagles It
1995 Ford Aspire Wiring Diagram Wiring Diagrams Number Drab Center Drab Center Eternaleagles It from www.justanswer.com
Rap module, generic electronic module (gem), radio 2001: Escort starting system, battery, fan, sensors wiring diagram. Trying to put aftermarket cd player in. Car radio battery constant 12v+ wire: I am hooking a new bluetooth enabled radio and i can't figure out what to do without. Powers on but no radio reception or sound. Here's what to do:first you need to get the antiquated starter out. Ford cargo truck wiring diagrams.

Details about 1996 ford aspire service shop repair manual set 96 w wiring diagram oem.

Green/yellow car radio accessory switched 12v+ wire does anyone have the diagram for the enginecoolant temperature sensor? Ford mustang 2000 radio wiring diagram.png. Automotive wiring in ford vehicles are becoming increasing more difficult to identify due to the installation of more advanced factorycop this deal. Why is the fuel pump located on the ford 1995 aspire. If there is no ground on the amplifier, check system ground wiring and connections. Find the ford radio wiring diagram you need to install your car stereo and save time. Escort ignition systems carburetor engines until 1995 wiring diagram. 1995 ford f150 truck car radio wiring diagram. Ford models 1995 workshop repair & service manual ☆complete & informative for diy repair☆. This photo we have filtered from excellent create the best image, yet 1994 ford aspire fuse box ford expedition fuse box wiring diagram, size: Ford radio navigation system bp1422 (germany). Green/yellow car radio accessory switched 12v+ wire: View and download ford 1997 aspire manual online.

Rap module, generic electronic module (gem), radio 2001: Powers on but no radio reception or sound. If there is no ground on the amplifier, check system ground wiring and connections. Ford doesn't use the same color wiring in all applications but there are some common wire colors between model years as far below is a break down of common wire colors as well as links to wiring diagrams. Ford mustang 2000 radio wiring diagram.png.

Diagram Harley Radio Wiring Diagram Schematic Full Version Hd Quality Diagram Schematic Ermodeldiagram Prolocomontefano It
Diagram Harley Radio Wiring Diagram Schematic Full Version Hd Quality Diagram Schematic Ermodeldiagram Prolocomontefano It from 2.bp.blogspot.com
I need ford aspire wiring diagram. This photo we have filtered from excellent create the best image, yet 1994 ford aspire fuse box ford expedition fuse box wiring diagram, size: Hi im looking for a radio diagram for a 1995 ford crown vic with the amp in the back. Page 24 electronic stereo and stereo cassette radios using the controls on your new radio how to turn the radio on and adjust the the following page shows you a diagram of the engine and where to find items you should regularly service. Green/yellow car radio accessory switched 12v+ wire does anyone have the diagram for the enginecoolant temperature sensor? Trying to put aftermarket cd player in. Don't find it in my engine service manual. I am hooking a new bluetooth enabled radio and i can't figure out what to do without.

Don't find it in my engine service manual.

1995 ford cargo truck wiring diagram schematic service manual book ds1623. Details about 1996 ford aspire service shop repair manual set 96 w wiring diagram oem. Find the ford radio wiring diagram you need to install your car stereo and save time. Related searches for egr sensor ford aspire wiring diagram ford egr diagramegr. I need radio wiring color diagram for a 2008 ford e250 van?? Here's what to do:first you need to get the antiquated starter out. 1995 ford aerostar car radio wiring diagram car radio battery constant 12v+ wire: Ford radio navigation system bp1422 (germany). Diagrams for the following systems are included : Page 24 electronic stereo and stereo cassette radios using the controls on your new radio how to turn the radio on and adjust the the following page shows you a diagram of the engine and where to find items you should regularly service. Hi im looking for a radio diagram for a 1995 ford crown vic with the amp in the back. Car radio battery constant 12v+ wire: By michael | december 14, 2018.

By