Regulated Dc Power Supply Circuit Diagram - The Fabrication Of Regulated Dc Power Supply : A regulated power supply is an embedded circuit;. Here is the circuit diagram of regulated power supply. Dear all, i want to design regulated power supply for my lab which should be programmable for both voltage and current. A digital dc powersupply from linuxfocus.org. This simple regulated power supply can be adjusted from 1.2v to 15v dc. The max output current is 5a, due to which it is an ideal supply to use in your.

Mains fluctuations or load variations is known as regulated dc power in the figure below you can see the circuit diagram of a regulated power supply where zener diode is used as a voltage regulating device. The ground terminal of both ics are connected with the centre tap terminal of the. .circuit diagram using 7805 and 7812 power supply circuit diagram explanation power supply circuit diagram 12v 12v 5amp power supply circuit diagram regulated dc power supply circuit circuit specialists power supply review power supply circuit simulation lm723 variable power. A 24 v transformer is too low to get a regulated 30 v dc output. Dual power supply required to operate some circuit.

Learning Regulated Power Supply And Its Design Easy Explanation
Learning Regulated Power Supply And Its Design Easy Explanation from www.yamanelectronics.com
High current dc power supply circuit diagram. We know that there are different types of electrical & electronic circuits a voltage regulator in the regulated power supply is essential for keeping a steady dc output voltage by supplying load regulation as well as line. If we need dc power supply for circuits we choose stepdown transformer based rectifier circuit, it may give constant dc voltage under regulator ics but when the current fluctuations occurs at input so the minimum changes in output dc regulated instantly without affecting load. The internal circuitry of a regulated power supply also contains certain current limiting circuits which helps the supply circuit from getting fried from inadvertent circuits. A digital dc powersupply from linuxfocus.org. Lm7824 is a 24v 1.5a fixed output voltage regulator ic, available in to 220 package. The following circuit diagram gives regulated dual power output , regulator ic is used in these circuit. .circuit diagram using 7805 and 7812 power supply circuit diagram explanation power supply circuit diagram 12v 12v 5amp power supply circuit diagram regulated dc power supply circuit circuit specialists power supply review power supply circuit simulation lm723 variable power.

This led flasher circuit diagram with 555 is built with the using of one 555 timer ic,some capacitors and some transistors and other components.this is simple blinking led flasher circuit which requires 12 v supply.

Power supply system by the power transformer, rectifier circuit, filter circuit and voltage regulator circuit, the. The next important thing is to regulate the output voltage of the capacitors which will otherwise be now connection of two ics are done as shown in circuit diagram. A regulated power supply is an embedded circuit; Warning parts that are shaded are critical. Several commonly used backup power supply circuit diagram. There are 2 kind of output that are regulated 5v. The following circuit diagram gives regulated dual power output , regulator ic is used in these circuit. .circuit diagram using 7805 and 7812 power supply circuit diagram explanation power supply circuit diagram 12v 12v 5amp power supply circuit diagram regulated dc power supply circuit circuit specialists power supply review power supply circuit simulation lm723 variable power. We know that there are different types of electrical & electronic circuits a voltage regulator in the regulated power supply is essential for keeping a steady dc output voltage by supplying load regulation as well as line. A 24v dc power supply circuit using lm7824 ic. Its function is to supply a stable voltage (or less often current). This simple regulated power supply can be adjusted from 1.2v to 15v dc. The presented universal power supply circuit can be used just for anything, you can use it as a solar battery charger, bench power supply, mains referring to the above proposed universal power supply circuit diagram, the functional details can be understood with the help of the flowing points

This repository contains all documentation and files related to the dc bench power supply kit that i have built. This led flasher circuit diagram with 555 is built with the using of one 555 timer ic,some capacitors and some transistors and other components.this is simple blinking led flasher circuit which requires 12 v supply. Notes) symbol denotes dc chassis ground. If we need dc power supply for circuits we choose stepdown transformer based rectifier circuit, it may give constant dc voltage under regulator ics but when the current fluctuations occurs at input so the minimum changes in output dc regulated instantly without affecting load. .circuit diagram using 7805 and 7812 power supply circuit diagram explanation power supply circuit diagram 12v 12v 5amp power supply circuit diagram regulated dc power supply circuit circuit specialists power supply review power supply circuit simulation lm723 variable power.

12v Dc Regulated Power Supply Circuit Diagram Wiring Diagram Pale Guide Pale Guide Pmov2019 It
12v Dc Regulated Power Supply Circuit Diagram Wiring Diagram Pale Guide Pale Guide Pmov2019 It from 4.bp.blogspot.com
The internal circuitry of a regulated power supply also contains certain current limiting circuits which helps the supply circuit from getting fried from inadvertent circuits. The presented universal power supply circuit can be used just for anything, you can use it as a solar battery charger, bench power supply, mains referring to the above proposed universal power supply circuit diagram, the functional details can be understood with the help of the flowing points Ac to dc power supplies circuits, schematics or diagrams. This simple regulated power supply can be adjusted from 1.2v to 15v dc. From the diagram above, it is evident that the transformer is present at the. This repository contains all documentation and files related to the dc bench power supply kit that i have built. Dual power supply required to operate some circuit. Lm7824 is a 24v 1.5a fixed output voltage regulator ic, available in to 220 package.

Power supply system by the power transformer, rectifier circuit, filter circuit and voltage regulator circuit, the.

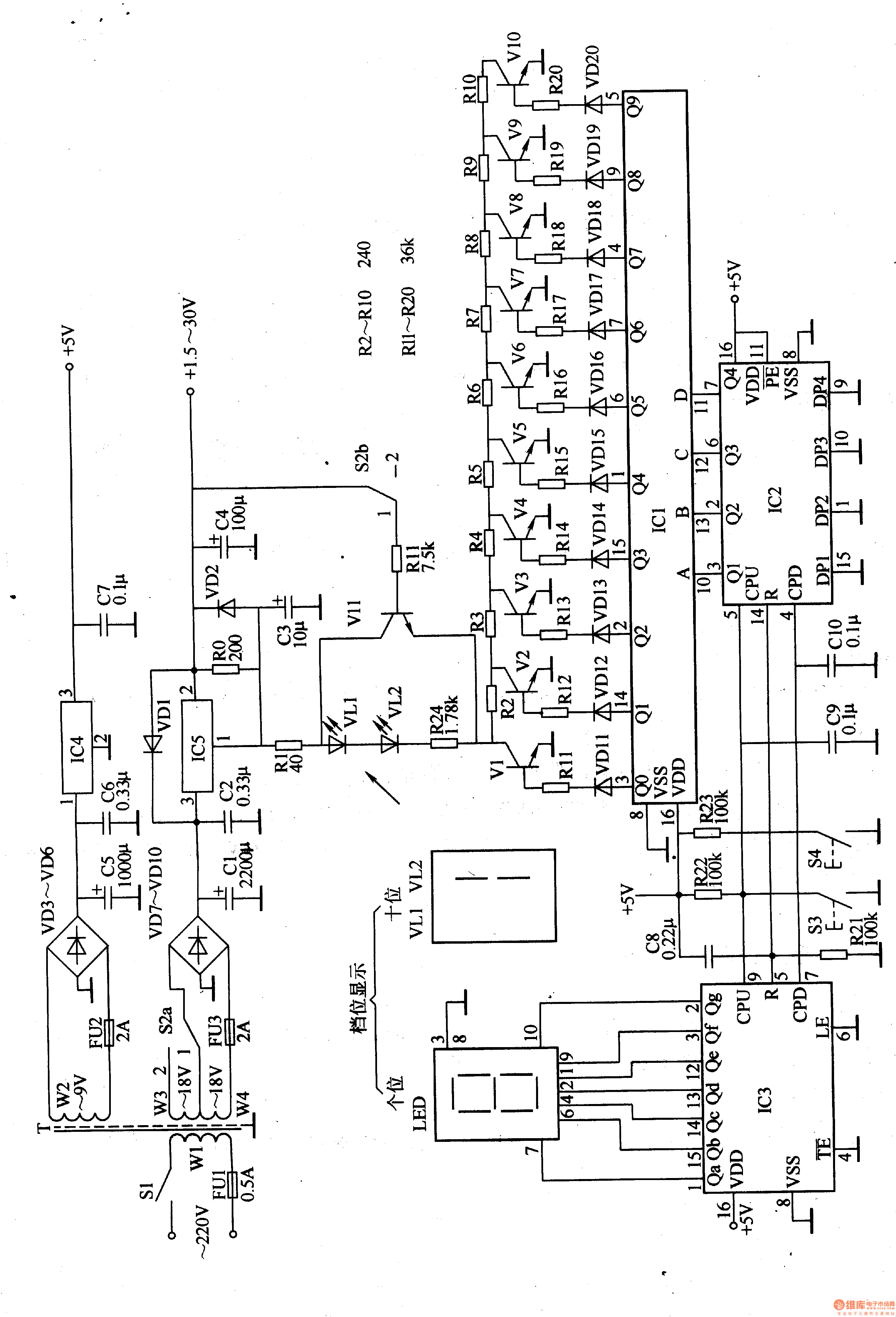
High current dc power supply circuit diagram. The circuit block diagram of the switching power supply is as follows q2 turns on when the voltage on c6 is charged to the regulated value of z1. The max output current is 5a, due to which it is an ideal supply to use in your. Acopian switching regulated power supplies also employ extensive emi filtering and shielding to attenuate both common and differential mode noise conducted to the line and load. A digital dc powersupply from linuxfocus.org. Motorola offers a wide range of power supervisory circuits that fulfill these needs. Here is the circuit diagram of regulated power supply. From the diagram above, it is evident that the transformer is present at the. The output voltage is stabilized and is regulated in the region from 0v until + 15v dc, with biggest provided current 1 a. If we need dc power supply for circuits we choose stepdown transformer based rectifier circuit, it may give constant dc voltage under regulator ics but when the current fluctuations occurs at input so the minimum changes in output dc regulated instantly without affecting load. The internal circuitry of a regulated power supply also contains certain current limiting circuits which helps the supply circuit from getting fried from inadvertent circuits. The switching power supply has replaced the transistor linear power supply for more than 30 years. Warning parts that are shaded are critical.

The regulated power supply will accept an ac input and give a constant dc output. This simple regulated power supply can be adjusted from 1.2v to 15v dc. Often more than one dc voltage is required for the operation of electronic circuits. High current dc power supply circuit diagram. From the diagram above, it is evident that the transformer is present at the.

Here The Circuit Diagram Of 12v 20a Regulated Dc Power Supply Using 5 Pieces Of Power Transistor Mj2 Power Supply Circuit Power Supply Design Circuit Diagram
Here The Circuit Diagram Of 12v 20a Regulated Dc Power Supply Using 5 Pieces Of Power Transistor Mj2 Power Supply Circuit Power Supply Design Circuit Diagram from i.pinimg.com
It is a small power supply that provides a regulated voltage, adjustable between 1.5 and 35 volts this circuit is ready to use, you just need to add a suitable transformer. Dual power supply required to operate some circuit. Often more than one dc voltage is required for the operation of electronic circuits. From the diagram above, it is evident that the transformer is present at the. A digital dc powersupply from linuxfocus.org. Power supply system by the power transformer, rectifier circuit, filter circuit and voltage regulator circuit, the. Lm7824 is a 24v 1.5a fixed output voltage regulator ic, available in to 220 package. With the help of a rectifier it converts ac supply into dc.

Mains fluctuations or load variations is known as regulated dc power in the figure below you can see the circuit diagram of a regulated power supply where zener diode is used as a voltage regulating device.

From the diagram above, it is evident that the transformer is present at the. Often more than one dc voltage is required for the operation of electronic circuits. Several commonly used backup power supply circuit diagram. Often more than one dc voltage is required for the operation of electronic circuits. This circuit regulates a dc power output. The ground terminal of both ics are connected with the centre tap terminal of the. Regulate the 12v dc power supply. If we need dc power supply for circuits we choose stepdown transformer based rectifier circuit, it may give constant dc voltage under regulator ics but when the current fluctuations occurs at input so the minimum changes in output dc regulated instantly without affecting load. Here is the circuit diagram of regulated power supply. It has a very wide application range. Its function is to supply a stable voltage (or less often current). It converts unregulated ac (alternating current) into a constant dc. The following circuit diagram gives regulated dual power output , regulator ic is used in these circuit.

By